OEM RF glass isolator Supplier

Ningbo Hanson Communication Technology Co., Ltd. Hjem / Produkter / Hermetisk forseglet serie / RF glass isolator

RF glass isolator

Beskrivelse:

Glassisolatorer bruker en glassintringsstruktur med god tetningsevne. De kan brukes med millimeterbølgekontakter som SMA og 2.92, og kan også brukes direkte mellom PCB-kort, maler og maler og komponenter. Den bruker glass (dielektrisk konstant er ca. 4,0) som isolasjonsmateriale, og de indre og ytre lederne er laget av Kovar-legeringsmateriale. Etter høytemperatursintring er overflaten nikkelbelagt med gull. Glassisolatorer har fordelene med liten størrelse, lav vekt, lufttetthet og høy pålitelighet. De brukes mest i anledninger med krav til forsegling, eller krav til produktvolum og vekt. De er egnet for intensiv installasjon. Den indre lederen kan kobles til på en rekke måter, for eksempel plug-in, overflatemontering, sveising og gulltrådbinding.

Spørre

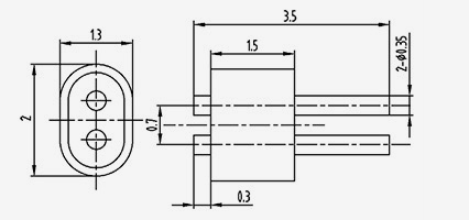
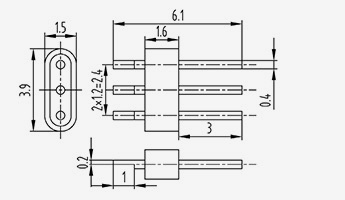
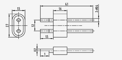
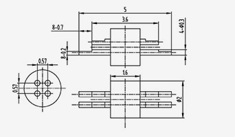
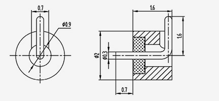
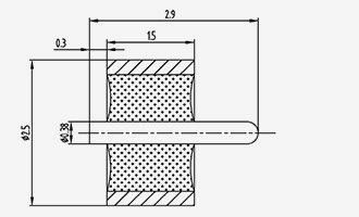
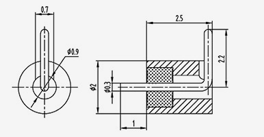
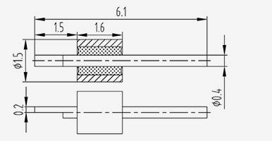
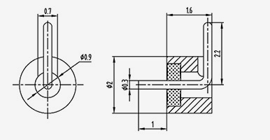
Grunnleggende struktur:
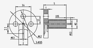
Glassisolator består vanligvis av tre deler: ytre leder, glassmedium og indre leder, og dens grunnleggende struktur er vist i følgende figur.

Tekniske spesifikasjoner og pålitelighetstester:

Elektriske egenskaper
Karakteristisk impedans 50Ω eller annet Frekvensområde DC~65GHz
Dielektrisk motstandsdyktig spenning ≥500V Isolasjonsmotstand ≥5000M Ω
Kontaktmotstand Indre leder≤3m Ω Spenning VSWR (50Ω) ≤ 1,05 0,008f ( f: GHz)
Ytre leder ≤2m Ω RF-innsettingstap (50Ω) ≤0,05 √ f (f: GHz)
Materiale og mekaniske, miljømessige egenskaper
Ytre leder Delegerbare legeringer Luftlekkasjehastighet 1,01*10 -9 Pa.m 3 /S
Indre dirigent Nedbrytbare legeringer Driftstemperatur -65 ~ 165
Isolasjonsmedium Glass

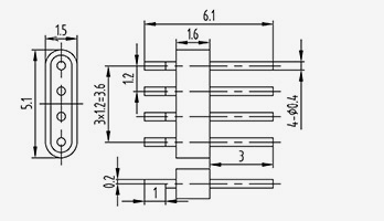
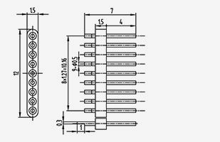
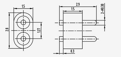
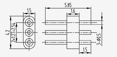
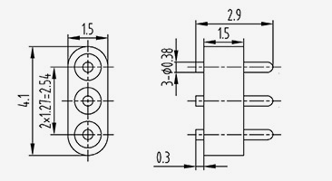
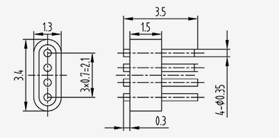
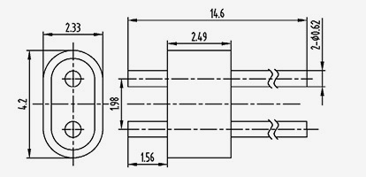
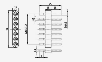
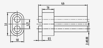
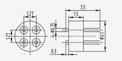
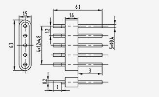
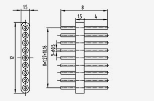
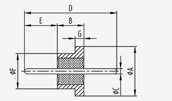
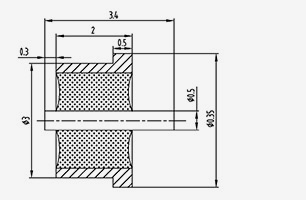
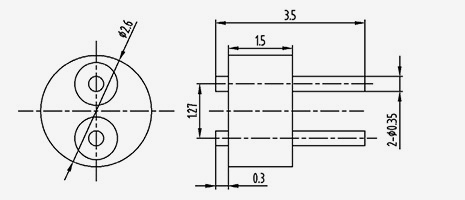
Anbefalte monteringsmål for glassisolatorer
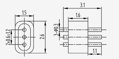
De anbefalte installasjonsåpningsdimensjonene for glassisolatorer med én kjerne er vist nedenfor:

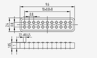
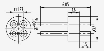
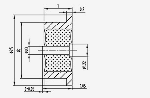
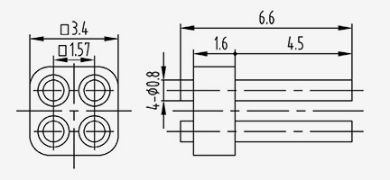
De anbefalte monteringsåpningsdimensjonene for flerkjerneglassisolatorer er vist nedenfor:

Testing av elektrisk ytelse av glassisolator:
50 ohm karakteristiske impedansglassisolatorer med standard SMA, 2,92, 2,4, osv. millimeter bølgekontakter sammenkoblet i begge ender for elektrisk ytelsestesting.

RF SERIES
  • 50Ω karakteristisk impedans-enkeltkjerne rundt hode
    50Ω karakteristisk impedans-enkeltkjerne rundt hode
    Modell Størrelse (mm)
    EN B C D E
    HS1710-0,23(2,8-0,3) 1.73 1 0.23 2.8 0.3
    HS1710-0,23(6,2-2,7) 1.73 1 0.23 6.2 2.7
    HS1710A 1.73 1 0.23 3 1
    HS1714-0,23(2-0,3) 1.73 1.4 0.23 2 0.3
    V1714-0,23(2,69-0,5) 1.73 1.4 0.23 2.7 0.5
    V1714-0,23(3,9-1,7) 1.73 1.4 0.23 3.9 1.7
    V1714-0,23(4,5-1,7) 1.73 1.4 0.23 4.5 1.7
    HS1714-0,23(3-1,1) 1.73 1.4 0.23 3 1.1
    HSI714E 1.73 1.4 0.23 2.9 1
    HS1714F 1.73 1.4 0.23 2.79 0.9
    HS1715-0,23(3,2-0,8) 1.73 1.5 0.23 3.2 0.8
    HS1716A 1.73 1.65 0.23 3.4 1
    V1719-0,23(5,0-1,7) 1.73 1.9 0.23 5 1.7
    V1720-0,23(3,3-0,5) 1.73 2 0.23 3.3 0.5
    HS1720-0,23(3,7-1,2) 1.73 2 0.23 3.7 1.2
    V1720-0,23(4,0-1,0) 1.73 2 0.23 4 1
    HS1720-0,23(6-2) 1.73 2 0.23 6 2
    V1724-0,23(3,7-0,5) 1.73 2.4 0.23 3.7 0.5
    HS1724-0,23(4,5-1,7) 1.73 2.4 0.23 4.5 1.7
  • 50Ω karakteristisk impedans-enkeltkjerne rundt hode
    50Ω karakteristisk impedans-enkeltkjerne rundt hode
    Modell Størrelse (mm)
    EN B C D E
    V1727-0,23(4,0-0,5) 1.73 2.7 0.23 4 0.5
    HS1727A 1.73 2.7 0.23 4.7 1
    HS1728-0,23(4-0,5) 1.73 2.8 0.23 4 0.5
    HS1730-0,23(4,3-0,5) 1.73 3 0.23 4.3 0.5
    V1730-0,23(5,0-1,0) 1.73 3 0.23 5 1
    HS1734-0.23-01 1.73 3.4 0.23 5.2 1
    HS1744-0.23-01 1.73 4.4 0.23 6.2 1
    HS1749-0,23(8,9-2,0) 1.73 4.9 0.23 8.9 2
    HS1751A 1.73 5.1 0.23 5.9 0.4
    HS1756-0,23(6,6-0,5) 1.73 5.6 0.23 6.6 0.5
    HS1914-0,3(2,55-0,35) 1.9 1.4 0.3 2.55 0.35
    HS1914-0.3(3.2-1.1) 1.9 1.4 0.3 3.2 1.1
    HS1914C 1.9 1.4 0.3 3.6 0.7
    HS1914-0.3(4.4-2) 1.9 1.4 0.3 4.4 2
    HS1914-0.3(3.2-1.1) 1.9 1.4 0.3 3.2 1.1
    HS1914-0.3(3.8-1.2) 1.9 1.4 0.3 3.8 1.2
    HS1914-0.3(4.4-2) 1.9 1.4 0.3 4.4 2
    HS1916-0,3(4,7-0,8) 1.9 1.6 0.3 4.7 0.8
    HS1916B 1.9 1.6 0.3 4.9 0.8
  • 50Ω karakteristisk impedans-enkeltkjerne rundt hode
    50Ω karakteristisk impedans-enkeltkjerne rundt hode
    Modell Størrelse (mm)
    EN B C D E
    HS1917-0.3(3.45-1) 1.9 1.75 0.3 3.45 1
    HS1918-0.3(5.8-2) 1.9 1.8 0.3 5.8 2
    HS1918-0.3(7.8-4.2) 1.9 1.8 0.3 7.8 4.2
    HS1918-0.3(3.5-1) 1.95 1.8 0.3 3.5 1
    HS1934-0.3(4.6-0.4) 1.9 3.4 0.3 4.6 0.4
    HS2006-0.3(3.2-2) 2 0.6 0.3 3.2 2
    HS2008-0.3(1.32-0.26) 2 0.8 0.3 1.32 0.26
    HS2008F 2 0.8 0.3 1.7 0.45
    HS2008-0.3(1.8-0.3) 2 0.8 0.3 1.8 0.3
    HS2008-0.3(2.8-1.0) 2 0.8 0.3 2.8 1
    HS2008-0.3(3.0-1.5) 2 0.8 0.3 3 1.5
    HS2008-0.3(3.4-0.8) 2 0.8 0.3 3.4 0.8
    HS2008-0.3(3.6-1.2) 2 0.8 0.3 3.6 1.2
    HS2008-0.3(5.4-2.6) 2 0.8 0.3 5.4 2.6
    HS2008-0.3(6-2.6) 2 0.8 0.3 6 2.6
    HS2010-0.3(2.1-0.7) 2 1 0.3 2.1 0.7
    HS2010-0.3(2.5-1) 2 1 0.3 2.5 1
    HS2010-0.3(3.2-1.2) 2 1 0.3 3.2 1.2
    HS2011-0.3(2.1-0.5) 2 1.1 0.3 2.1 0.5
  • 50Ω karakteristisk impedans-enkeltkjerne rundt hode
    50Ω karakteristisk impedans-enkeltkjerne rundt hode
    Modell Størrelse (mm)
    EN B C D E
    HS2012A 2 1.2 0.3 3.5 1.2
    HS2012-0.3(6-1.8) 2 1.2 0.3 6 1.8
    HS2012-0.3(6.7-1.5) 2 1.2 0.3 6.7 1.5
    HS2013-0.3(2.3-0.5) 2 1.3 0.3 2.3 0.5
    HS2014-0.3(1.92-0.26) 2 1.4 0.3 1.92 0.26
    HS2014-0.3(2.12-0.36) 2 1.4 0.3 2.12 0.36
    HS2014-0.3(2.4-0.5) 2 1.4 0.3 2.4 0.5
    HS2014D 2 1.4 0.3 3.1 0.45
    HS2014-0.3(4.4-1.5) 2 1.4 0.3 4.4 1.5
    HS2014-0.3(4.4-1) 2 1.4 0.3 4.4 1
    HS2014-0.3(4.55-1.5) 2 1.4 0.3 4.55 1.5
    HS2014-0.3(4.65-1.5) 2 1.4 0.3 4.65 1.5
    HS2014-0.3(5.5-1.9) 2 1.4 0.3 5.5 1.9
    HS2014-0.3(5.7-1.8) 2 1.4 0.3 5.7 1.8
    HS2014-0.3(8.0-4.6) 2 1.4 0.3 8 4.6
    HS2014-0.3(8-1.9) 2 1.4 0.3 8 1.9
    HS2015-0,3(3,25-0,75) 2 1.5 0.3 3.25 0.75
    HS2016-0.3(2.7-0.7) 2 1.6 0.3 2.7 0.7
    HS2016-0.3(2.8-0.5) 2 1.6 0.3 2.8 0.5
  • 50Ω karakteristisk impedans-enkeltkjerne rundt hode
    50Ω karakteristisk impedans-enkeltkjerne rundt hode
    Modell Størrelse (mm)
    EN B C D E
    HS2016-0.3(3.5-1.2) 2 1.6 0.3 3.5 1.2
    HS2016-0.3(3.6-1) 2 1.6 0.3 3.6 1
    HS2016-0.3(3.9-0.4) 2 1.6 0.3 3.9 0.4
    HS2016E 2 1.6 0.3 3.9 0.6
    HS2016-0.3(4.1-1) 2 1.6 0.3 4.1 1
    HS2016-0.3(4.2-0.8) 2 1.6 0.3 4.2 0.8
    HS2016-0.3(4.6-1.2) 2 1.6 0.3 4.6 1.2
    HS2016-0.3(4.6-1.8) 2 1.6 0.3 4.6 1.8
    Ka2016-0,3(5-2,9) 2 1.6 0.3 5 2.9
    HS2016-0.3(5.2-1.8) 2 1.6 0.3 5.2 1.8
    HS2016-0.3(8.0-4.6) 2 1.6 0.3 8 4.6
    HS2016-0.3(8-1.8) 2 1.6 0.3 8 1.8
    HS2016-0.3(12-2.4) 2 1.6 0.3 12 2.4
    HS2016-0.3(20.4-4.6) 2 1.6 0.3 20.4 4.6
    HS2017-0.3(3.3-0.8) 2 1.7 0.3 3.3 0.8
    HS2017-0.3(8.5-2.0) 2 1.7 0.3 8.5 2
    HS2018-0.3(3.5-1) 2 1.8 0.3 3.5 1
    HS2019-0.3-01 2 1.9 0.3
    HS2020-0.3(3.4-0.4) 2 2 0.3 3.4 0.4
  • 50Ω karakteristisk impedans-enkeltkjerne rundt hode
    50Ω karakteristisk impedans-enkeltkjerne rundt hode
    Modell Størrelse (mm)
    EN B C D E
    HS2020-0.3(3.8-0.8) 2 2 0.3 3.8 0.8
    HS2020-0.3(5.6-2.8) 2 2 0.3 5.6 2.8
    HS2020-0.3(5.7-2.9) 2 2 0.3 5.7 2.9
    HS2020-0.3(6-2) 2 2 0.3 6 2
    HS2020-0.3(12-5) 2 2 0.3 12 5
    HS2022F 2 2.2 0.3 3.1 0.45
    HS2022-0.3(3.2-0.7) 2 2.2 0.3 3.2 0.7
    HS2023-0,3(3,35-0,7) 2 2.3 0.3 3.35 0.7
    HS2023-0,3(3,7-0,7) 2 2.3 0.3 3.7 0.7
    HS2025-0,3(4,8-0,9) 2 2.5 0.3 4.8 0.9
    HS2025-0.3(6-1.5) 2 2.5 0.3 6 1.5
    HS2025-0,38(7,4-1,4) 2 2.5 0.38 7.4 1.4
    HS2026.5-0.3-01 2 2.6 5 0.3 0.1
    HS2028-0.3(4.9-0.5) 2 2.8 0.3 4.9 0.5
    HS2029-0.3(4.1-0.8) 2 2.9 0.3 4.1 0.8
    HS2029-0.3(4.9-0.5) 2 2.9 0.3 4.9 0.5
    HS2030-0.3(5.2-1.5) 2 3 0.3 5.2 1.5
    HS2030-0.3(5.8-1) 2 3 0.3 5.8 1
    HS2030-0.3(8-2) 2 3 0.3 8 2
  • 50Ω karakteristisk impedans-enkeltkjerne rundt hode
    50Ω karakteristisk impedans-enkeltkjerne rundt hode
    Modell Størrelse (mm)
    EN B C D E
    HS2030-0.3(9-1.5) 2 3 0.3 9 1.5
    HS2034-0.3(4.4-0.7) 2 3.4 0.3 4.4 0.7
    HS2035-0,3(6,6-1,8) 2 3.5 0.3 6.6 1.8
    HS2035-0,3(6,65-1,3) 2 3.5 0.3 6.65 1.3
    HS2035-0.3(7.1-1.3) 2 3.5 0.3 7.1 1.3
    HS2035-0,3(9,5-3) 2 3.5 0.3 9.5 3
    HS2036-0,3(5,7-0,7) 2 3.6 0.3 5.7 0.7
    HS2040A 2 4 0.3 5.1 0.8
    HS2045-0.7(11.5-2) 2 4.5 0.7 11.5 2
    HS2050-0,3(6,4-0,7) 2 5 0.3 6.4 0.7
    HS2507-0,38(2,2-0,3) 2.5 0.7 0.38 2.2 0.3
    HS2508-0,38(1,8-0,3) 2.5 0.8 0.38 1.8 0.3
    HS2508-0,38(2-0,5) 2.5 0.8 0.38 2 0.5
    HS2510-0,38(3,6-1,3 ) 2.5 1 0.38 3.6 1.3
    HS2510-0,38(7-3) 2.5 1 0.38 7 3
    HS2511-0,38(2,4-0,5) 2.5 1.1 0.38 2.4 0.5
    HS2511-0,38(3,7-0,6) 2.5 1.1 0.38 3.7 0.6
    HS2512-0,38(3,1-0,8) 2.5 1.1 0.38 3.7 0.6
    HS4414-0.3(3.2-1.1) 4.4 1.4 0.3 3.2 1.1
  • 50Ω karakteristisk impedans-enkeltkjerne rundt hode
    50Ω karakteristisk impedans-enkeltkjerne rundt hode
    Modell Størrelse (mm)
    EN B C D E
    HS2516-0,3(7,5-2,14) 2.5 1.6 0.3 7.5 2.14
    HS2516-0.3(8-1.8) 2.5 1.6 0.3 8 1.8
    HS2516-0,38(3,5-0,7) 2.5 1.6 0.38 3.5 0.7
    HS2516-0,38(4,1-1,25) 2.5 1.6 0.38 4.1 1.25
    HS2516-0,38(4,3-1,2) 2.5 1.6 0.38 4.3 1.2
    Ka2511-0,38(2,7-1,0) 2.5 1.1 0.38 2.7 1
    Ka2516-0,38(2,9-0,3) 2.5 1.6 0.38 2.9 0.3
    K2516-0,38(4-1,5) 2.5 1.6 0.38 4 1.5
    HS2516-0,38(4,5-1,2) 2.5 1.6 0.38 4.5 1.2
    HS2516-0,38(4,6-1) 2.5 1.6 0.38 4.6 1
    HS2516E 2.5 1.6 0.38 4.6 1.5
    HS2516G 2.5 1.6 0.38 4.6 1.5
    HS2516-0,38(4,8-1,2) 2.5 1.6 0.38 4.8 1.2
    HS2516-0,38(4,9-1,5) 2.5 1.6 0.38 4.9 1.5
    HS2516-0,38(5,1-1,6) 2.5 1.6 0.38 5.1 1.6
    HS2516-0,38(5,3-1,2) 2.5 1.6 0.38 5.3 1.2
    Ka2516-0,38(5,6-3,0) 2.5 1.6 0.38 5.6 3
    HS2516-0,38(6,1-1,3) 2.5 1.6 0.38 6.1 1.3
    HS2516-0,38(7,1-1,4) 2.5 1.6 0.38 7.1 1.4
  • 50Ω karakteristisk impedans-enkeltkjerne rundt hode
    50Ω karakteristisk impedans-enkeltkjerne rundt hode
    Modell Størrelse (mm)
    EN B C D E
    HS2516-0,38(7,41-1,27) 2.5 1.6 0.38 7.41 1.27
    HS2516F 2.5 1.6 0.38 7.45 4.55
    HS2516-0.38-01 2.5 1.6 0.38 7.5 1.3
    HS2516-0,38(8-1,8) 2.5 1.6 0.38 8 1.8
    RF2516-0,38(8-4,6) 2.5 1.6 0.38 8 4.6
    HS2516-0,38(8-5) 2.5 1.6 0.38 8 5
    K2516-0,38(8-1,5) 2.5 1.6 0.38 8 1.5
    K2516-0,38(8-5,9) 2.5 1.6 0.38 8 5.9
    HS2516-0,38(11,6-5) 2.5 1.6 0.38 11.6 5
    HS2516-0,38(12-2,0) 2.5 1.6 0.38 12 2
    HS2520-0,38(6-2) 2.5 2 0.38 6 2
    HS2520-0,38(7,4-1,4) 2.5 2 0.38 7.4 1.4
    HS2520-0,38(7,8-1,4) 2.5 2 0.38 7.8 1.4
    HS2520-0,38(9,0-2,0) 2.5 2 0.38 9 2
    HS2520-0,38(12-5) 2.5 2 0.38 12 5
    HS2520-0,38(15-2) 2.5 2 0.38 15 2
    HS2524-0,38(5,7-1,1) 2.5 2.4 0.38 5.7 1.1
    HS2526-0,38(6,6-2) 2.5 2.6 0.38 6.6 2
    HS2530-0,38(3,6-0,3) 2.5 3 0.38 3.6 0.3
  • 50Ω karakteristisk impedans-enkeltkjerne rundt hode
    50Ω karakteristisk impedans-enkeltkjerne rundt hode
    Modell Størrelse (mm)
    EN B C D E
    Ka2530-0,38(4,6-1,0) 2.5 3 0.38 4.6 1
    HS2530A 2.5 3 0.38 5 1
    HS2530-0,38(7,5-1,5) 2.5 3 0.38 7.5 1.5
    HS2530-0,38(8-0,4) 2.5 3 0.38 8 0.4
    HS2530-0,38(8-2) 2.5 3 0.38 8 2
    HS2530-0,38(9-3) 2.5 3 0.38 9 3
    HS2530-0,38(12-2,2) 2.5 3 0.38 12 2.2
    HS2530-0,38(13,9-8,2) 2.5 3 0.38 13.9 8.2
    HS2530-0,38(20-4) 2.5 3 0.38 20 4
    HS2533-0,38(6,5-1,2) 2.5 3.3 0.38 6.5 1.2
    HS2535-0,38(7,5-2) 2.5 3.5 0.38 7.5 2
    HS2537-0,38(7,7-2) 2.5 3.7 0.38 7.7 2
    HS2540-0,38(11-1,8) 2.5 4 0.38 11 1.8
    HS2545-0,38(8-1,3) 2.5 4.5 0.38 8 1.3
    HS2550-0,38(6,9-1,5) 2.5 5 0.38 6.9 1.5
    HS2550-0,38(11-2) 2.5 5 0.38 11 2
    HS2558-0,38(14,8-6) 2.5 5.8 0.38 14.8 6
    HS2575-0,38(12-1,3) 2.5 7.5 0.38 12 1.3
    HS2810-0,45(3,3-0,35) 2.8 1 0.45 3.3 0.35
  • 50Ω karakteristisk impedans-enkeltkjerne rundt hode
    50Ω karakteristisk impedans-enkeltkjerne rundt hode
    Modell Størrelse (mm)
    EN B C D E
    HS2815-0,45(5,75-1,25) 2.8 1.5 0.45 5.75 1.25
    HS2816-0,45(4,6-1,5) 2.8 1.6 0.45 4.6 1.5
    HS2816-0,45(4,9-1,8)-R 2.8 1.6 0.45 4.9 1.8
    HS2816-0,45(5,1-1,5) 2.8 1.6 0.45 5.1 1.5
    HS2816-0,45(5,2-1,1) 2.8 1.6 0.45 5.2 1.1
    HS2816-0,45(5,4-2) 2.8 1.6 0.45 5.4 2
    HS2816-0,45(5,6-2) 2.8 1.6 0.45 5.6 2
    HS2816-0,45(6,2-1,8) 2.8 1.6 0.45 6.2 1.8
    HS2816-0,45(8,0-4,6) 2.8 1.6 0.45 8 4.6
    HS2816-0,45(8-1,8) 2.8 1.6 0.45 8 1.8
    HS2816-0,45(11,6-5) 2.8 1.6 0.45 11.6 5
    HS2816-0,45(12-3,0) 2.8 1.6 0.45 12 3
    HS2831-0,45(5,2-1,8) 2.8 3.1 0.45 5.2 1.8
    HS2843-0,45(8,3-2) 2.8 4.3 0.45 8.3 2
    HS3015-0,5(4,3-0,8) 3 1.5 0.5 4.3 0.8
    HS3016-0,5(3,4-0,9) 3 1.6 0.5 3.4 0.9
    HS3016-0.5(4.6-1) 3 1.6 0.5 4.6 1
    HS3016-0,5(4,6-1,5) 3 1.6 0.5 4.6 1.5
    HS3016B 3 1.6 0.38 4.9 1.8
  • 50Ω karakteristisk impedans-enkeltkjerne rundt hode
    50Ω karakteristisk impedans-enkeltkjerne rundt hode
    Modell Størrelse (mm)
    EN B C D E
    HS3016-0.5(5.6-2) 3 1.6 0.5 5.6 2
    HS3016C 3 1.6 0.5 6.6 2
    HS3016-0,5(6,6-2,5) 3 1.6 0.5 6.6 2.5
    HS3016-0.5(7.5-2) 3 1.6 0.5 7.5 2
    HS3016-0,5(7,5-3,9) 3 1.6 0.5 7.5 3.9
    HS3016-0.5(7.8-2.0) 3 1.6 0.5 7.8 2
    HS3016-0,5(9,65-3,05) 3 1.6 0.5 9.65 3.05
    HS3016-0.5(12-5.0) 3 1.6 0.5 12 5
    HS3016-0,5(14,3-1,5) 3 1.6 0.5 14.3 1.5
    HS3020-0.5(5-1.8) 3 2 0.5 5 1.8
    HS3020-0,5(6,0-1,5) 3 2 0.5 6 1.5
    HS3020-0,5(6,5-2,2) 3 2 0.5 6.5 2.2
    HS3020-0,5(6,5-2,3) 3 2 0.5 6.5 2.3
    HS3020-0,5(6,8-1,8) 3 2 0.5 6.8 1.8
    HS3020-0,5(7,5-2,2) 3 2 0.5 7.5 2.2
    HS3020-0.5(8-2) 3 2 0.5 8 2
    HS3020-0,5(8,5-2,2) 3 2 0.5 8.5 2.2
    HS3020-0,5(8,5-4,3) 3 2 0.5 8.5 4.3
    HS3020-0.5(10-4) 3 2 0.5 10 4
  • 50Ω karakteristisk impedans-enkeltkjerne rundt hode
    50Ω karakteristisk impedans-enkeltkjerne rundt hode
    Modell Størrelse (mm)
    EN B C D E
    HS3020-0.5(10-1.5) 3 2 0.5 10 1.5
    HS3020-0.5(12-4.0) 3 2 0.5 12 4
    HS3020-0.5(12-5.0) 3 2 0.5 12 5
    HS3020-0.5(12-6) 3 2 0.5 12 6
    HS3020-0.5(15-2) 3 2 0.5 15 2
    HS3025-0.5(5.4-1.2) 3 2.5 0.5 5.4 1.2
    HS3030A 3 3 0.38 10 1.5
    HS3030-0,5(6,5-2) 3 3 0.5 6.5 2
    HS3030-0,5(6,6-1,8) 3 3 0.5 6.6 1.8
    HS3030-0,5(7,5-2)-R 3 3 0.5 7.5 2
    HS3030-0,5(8,8-1,8) 3 3 0.5 8.8 1.8
    HS3030-0.5(10-2) 3 3 0.5 10 2
    HS3030-0.5(12-3) 3 3 0.5 12 3
    HS3030-0.5(12-2) 3 3 0.5 12 2
    HS3030-0.5(14-4.0) 3 3 0.5 14 4
    HS3035-0.5(6-1) 3 3.5 0.5 6 1
    HS3035-0,5(11,5-4) 3 3.5 0.5 11.5 4
    HS3040A 3 4 0.5 10.4 4
    HS3042-0.5(9.0-2.2) 3 4.2 0.5 9 2.2
  • 50Ω karakteristisk impedans-enkeltkjerne rundt hode
    50Ω karakteristisk impedans-enkeltkjerne rundt hode
    Modell Størrelse (mm)
    EN B C D E
    HS3045-0,5(8,5-2) 3 4.5 0.5 8.5 2
    HS3047-0,5(9,4-2,2) 3 4.7 0.5 9.4 2.2
    HS3047-0.5(12-5.1) 3 4.7 0.5 12 5.1
    HS3050-0.5(9-2) 3 5 0.5 9 2
    HS3052A 3 5.2 0.5 10.3 4
    HS3057-0,5(12,5-3) 3 5.7 0.5 12.5 3
    HS3620-0,5(9-2,5) 3.6 2 0.5 9 2.5
    HS3616-0,6(12,2-1,6) 3.6 1.6 0.6 12.2 1.6
    HS3625-0.6(6.5-2) 3.6 2.5 0.6 6.5 2
    HS2540-0.8(27-5) 2.5 4 0.8 27 5
    HS4030A 4 3 1 10.6 4.6
    HS5010-0,8(5,9-2,45) 5 1 0.8 5.9 2.45
    HS5015-0,8(7,3-4,9) 5 1.5 0.8 7.3 4.9
    HS5016B 5 1.6 0.8 5.6 2
    HS5016-0.8(8.6-3.0) 5 1.6 0.8 8.6 3
    HS5030-0,8(17,2-2) 5 3 0.8 17.2 2
    HS5040-0.8(12-3) 5 4 0.8 12 3
    HS5060-0,8(11,5-2,5) 5 6 0.8 11.5 2.5
    HS5065-0,8(13,7-3) 5 6.5 0.8 13.7 3
  • 50Ω karakteristisk impedans-enkeltkjerne rundt hode
    50Ω karakteristisk impedans-enkeltkjerne rundt hode
    Modell Størrelse (mm)
    EN B C D E
    HS5065-0,8(15,5-3) 5 6.5 0.8 15.5 3
    HS5516-0,9(8,3-2,8) 5.5 1.6 0.9 8.3 2.8
    HS5516-0,9(8,5-2,8) 5.5 1.6 0.9 8.5 2.8
    HS5516-0,9(8,7-2,8) 5.5 1.6 0.9 8.7 2.8
    HS5516-0,9(8,9-2,8) 5.5 1.6 0.9 8.9 2.8
    HS5516-0,9(9,1-2,8) 5.5 1.6 0.9 9.1 2.8
    HS5516-0,9(11,9-2,8) 5.5 1.6 0.9 11.9 2.8
    HS5516-0.9(12.6-2) 5.5 1.6 0.9 12.6 2
    HS5516-0,9(13,8-2,8) 5.5 1.6 0.9 13.8 2.8
    HS5525-0,9(9,7-1,6) 5.5 2.5 0.9 9.7 1.6
    HS5525-0.9(16-5) 5.5 2.5 0.9 16 5
    HS5530-0,9(8,8-2,3) 5.5 3 0.9 8.8 2.3
    HS5530-0,9(9,6-2,3) 5.5 3 0.9 9.6 2.3
    HS5530-0,9(13,8-2,8) 5.5 3 0.9 13.8 2.8
    HS5530A 5.5 3 1.35 13.5 7.5
    HS5530B 5.5 3 1.35 13.8 7.8
    HS6016-1.0(8.5-1.5) 6 1.6 1 8.5 1.5
    HS6840-0.9(7-1.5) 6.8 4 0.9 7 1.5
    HS8330-1.3(13-5) 8.3 3 1.3 13 5
  • 50Ω karakteristisk impedans - flatt hode med én kjerne
    50Ω karakteristisk impedans - flatt hode med én kjerne
    Modell Størrelse (mm)
    EN B C D E
    Ka2008-0,3(1,4-0,3) 2 0.8 0.3 1.4 0.3
    HS2008-0,3(1,65-0,35) 2 0.8 0.3 1.65 0.35
    Ka2008-0,3(1,8-0,3) 2 0.8 0.3 1.8 0.3
    HS2010-0,3(1,9-0,35) 2 1 0.3 1.9 0.35
    HS2010-0.3(2-0.5) 2 1 0.3 2 0.5
    HS2010-0.3(2.5-0.5) 2 1 0.3 2.5 0.5
    HS2013-0.3(2.4-0.4) 2 1.3 0.3 2.4 0.4
    HS2014-0.3(2.6-0.4) 2 1.4 0.3 2.6 0.4
    HS2014E 2 1.4 0.3 2.3 0.45
    HS2014F 2 1.4 0.3 2.35 0.5
    HS2016-0.3-01 2 1.6 0.3 3.1 1
    HS2016-0.3(3.3-0.7) 2 1.6 0.3 3.3 0.7
    HS2016-0.3-02 2 1.6 0.3 3.3 1
    HS2016-0.3(5.6-2) 2 1.6 0.3 5.6 2
    HS2019-0.3(3-0.35) 2 1.9 0.3 3 0.35
    HS2020-0.3-02 2 2 0.3 3.5 0.5
    HS2020-0.3(3.6-0.8) 2 2 0.3 3.6 0.8
    HS2030-0.3(4.2-0.7) 2 3 0.3 4.2 0.7
  • 50Ω karakteristisk impedans-enkeltkjerne rundt hode
    50Ω karakteristisk impedans-enkeltkjerne rundt hode
    Modell Størrelse (mm)
    EN B C D E
    HS8740-1,38(8,4-3,2) 8.7 4 1.38 8.4 3.2
    HS9430-1.5(9-3) 9.4 3 1.5 9 3
    HS9430-1.5(11-4) 9.4 3 1.5 11 4
    HS9640-1,5(9,2-3,2) 9.6 4 1.5 9.2 3.2
    HS10050-1.7(15-5) 10 5 1.7 15 5
    HS130100-3(18-4) 13 10 3 18 4
  • 50Ω Karakteristisk impedans - Rund spiss med én kjerne
    50Ω Karakteristisk impedans - Rund spiss med én kjerne
    Modell Størrelse (mm)
    EN B C D E
    HS2330-0,23(5,3-0,3) 2.3 3 0.23 5.3 0.3
    HS2815-0.3(5.2-1.2) 2.8 1.5 0.3 5.2 1.2
    HS2815-0.3(7.2-1.2) 2.8 1.5 0.3 7.2 1.2
    HS2635-0,3(7,1-1,3) 2.6 3.5 0.3 7.1 1.3
    HS3822-0,5(14,4-3,7) 3.8 2.2 0.5 14.4 3.7
    HS3525-0,5(11,5-6) 3.5 2.5 0.5 11.5 6
  • 50Ω karakteristisk impedans - flatt hode med én kjerne
    50Ω karakteristisk impedans - flatt hode med én kjerne
    Modell Størrelse (mm)
    EN B C D E
    HS2516-0,38(5,1-2) 2.5 1.6 0.38 5.1 2
    HS2516-0,38(7,37-4,5) 2.5 1.6 0.38 7.37 4.5
    HS2517-0.38-01 2.5 1.7 0.38 2.7 0.65
    HS2520-0,38(3,2-0,5) 2.5 2 0.38 3.2 0.5
    HS2525-0.38-01 2.5 2.5 0.38 3.65 0.65
    HS2530-0,38(7,5-2,5) 2.5 3 0.38 7.5 2.5
    HS2816-0,45(4,9-1,8) 2.8 1.6 0.45 4.9 1.8
    HS2816-0,45-01 2.8 1.6 0.45 5 3
    HS2816-0,45(6-1,5) 2.8 1.6 0.45 6 1.5
    HS3030-0.5(7.5-2) 3 3 0.5 7.5 2
  • 50Ω karakteristisk impedans - enkeltkjerne flat rund spiss
    50Ω karakteristisk impedans - enkeltkjerne flat rund spiss
    Modell Størrelse (mm)
    EN B C D E
    HS2006-0.3(3.1-1.8) 2 0.6 0.3 3.1 1.8
    HS2010-0.3(3.5-2) 2 1 0.3 3.5 2
    HS2020-0.3-01 2 2 0.3 3.7 0.6
    HS2035-0,3(6,4-1,8) 2 3.5 0.3 6.4 1.8
    HS2816-0,45(11,7-7,6) 2.8 1.6 0.45 11.7 7.6
    HS3020-0.5(10-6.5) 3 2 0.5 10 6.5
    HS3216-0,5(7,1-4) 3.2 1.6 0.5 7.1 4
    HS6448-1.0(10.2-3.5) 6.4 4.8 1 10.2 3.5
  • Ka2032-0,3(4,5-1,3)
    Ka2032-0,3(4,5-1,3)
    Modell
    Ka2032-0.3(4.5-1.3)
  • K2010-0.3(1.05-0.05)
    K2010-0.3(1.05-0.05)
    Modell
    K2010-0.3(1.05-0.05)
  • HS2510-0.3-02
    HS2510-0.3-02
    Modell
    HS2510-0.3-02
  • HS3520-0,5(3,4-0,3)
    HS3520-0,5(3,4-0,3)
    Modell
    HS3520-0.5(3.4-0.3)
  • Ka3216-0,5(5,85-1,5)
    Ka3216-0,5(5,85-1,5)
    Modell
    Ka3216-0,5(5,85-1,5)
  • K2515-0,38(2,9-0,3)
    K2515-0,38(2,9-0,3)
    Modell
    K2515-0,38(2,9-0,3)
  • 2-K482515-0,38(2,9-0,3)
    2-K482515-0,38(2,9-0,3)
    Modell
    2-K482515-0.38(2.9-0.3)
  • KW2016-0.3(0.7-1.6)
    KW2016-0.3(0.7-1.6)
    Modell
    KW2016-0.3(0.7-1.6)
  • KW2016-0.3(1-2.2)
    KW2016-0.3(1-2.2)
    Modell
    KW2016-0.3(1-2.2)
  • KW2025-0.3(1-2.2)
    KW2025-0.3(1-2.2)
    Modell
    KW2025-0.3(1-2.2)
  • JPW2040-0.3-01
    JPW2040-0.3-01
    Modell
    JPW2040-0.3-01
  • KW2018-0.3(0.95-2.1)
    KW2018-0.3(0.95-2.1)
    Modell
    KW2018-0.3(0.95-2.1)
  • Ikke-50Ω Karakteristisk Impedans-Enkeltkjerne rund spiss
    Ikke-50Ω Karakteristisk Impedans-Enkeltkjerne rund spiss
    Modell Størrelse (mm)
    EN B C D E
    JD1515-0,4(5-1,5) 1.5 1.5 0.4 5 5
    JD1615-0,4(8-1,9) 1.6 1.5 0.4 8 8
    JD1616-0.4(30-14.2) 1.6 1.6 0.4 30 30
    JD1614-0,45(11,4-5) 1.6 1.4 0.45 11.4 11.4
    JD1616-0,45(4,65-1,05) 1.6 1.6 0.45 4.65 4.65
    JD1616-0,45(16-4) 1.6 1.6 0.45 16 16
    JD1616-0,45(30-14,2) 1.6 1.6 0.45 30 30
    JD2020-0,45(6,3-3) 2 2 0.45 6.3 6.3
    JD2020-0,45(10-4) 2 2 0.45 10 10
    JD1614-0.5(9-4) 1.6 1.4 0.5 9 9
    JD1616-0,5(30-14,2) 1.6 1.6 0.5 30 30
    JD1619-0,5(5,1-2) 1.6 1.9 0.5 5.1 5.1
    HS2015-0.5(7.5-3) 2 1.5 0.5 7.5 7.5
    JD2016-0.5(12-5.8)-R 2 1.6 0.5 12 12
    HS2018-0,5(9,5-1,5) 2 1.8 0.5 9.5 9.5
    HS2018-0.5(11.5-7.2) 2 1.8 0.5 11.5 11.5
    HS2030-0.5(10-2) 2 3 0.5 10 10
    JD1919-0.6(7.9-1.9)-R 1.9 1.9 0.6 7.9 7.9
  • Ikke-50Ω karakteristisk impedans-enkeltkjerne rund spiss
    Ikke-50Ω karakteristisk impedans-enkeltkjerne rund spiss
    Modell Størrelse (mm)
    EN B C D E
    HS2040-0.6(6-1) 2 4 0.6 6 1
    JD1818-0,7(10-6) 1.8 1.8 0.7 10 6
    JD1818-0,7(22,2-0,4) 1.8 1.8 0.7 22.2 0.4
    HS2016-0,7(4,6-1,5) 2 1.6 0.7 4.6 1.5
    HS2016-0,7(6,3-1,5) 2 1.6 0.7 6.3 1.5
    HS2016-0,7(7,1-1,5)-R 2 1.6 0.7 7.1 1.5
    HS2016-0,7(7,6-1,5) 2 1.6 0.7 7.6 1.5
    HS2016-0.7(9.6-4) 2 1.6 0.7 9.6 4
    K2016-0.7(11-4.6) 2 1.6 0.7 11 4.6
    HS2016-0.7(11.6-5) 2 1.6 0.7 11.6 5
    HS2016-0.7(17-15.1) 2 1.6 0.7 17 15.1
    HS2016-0.7(20-0.3) 2 1.6 0.7 20 0.3
    HS2017-0,7(9,7-3) 2 1.7 0.7 9.7 3
    HS2035-0.7(13-3) 2 3.5 0.7 13 3
    HS2020-0,75(12-4) 2 2 0.75 12 4
    HS2015-0.8(6.5-3) 2 1.5 0.8 6.5 3
    JD2015-0.8(10.5-3) 2 1.5 0.8 10.5 3
    JD2063-0.5(10.3-2) 2 6.3 0.5 10.3 2
  • Ikke-50Ω Karakteristisk Impedans-Enkeltkjerne rund spiss
    Ikke-50Ω Karakteristisk Impedans-Enkeltkjerne rund spiss
    Modell Størrelse (mm)
    EN B C D E
    JD2518-0,8(12,8-5) 2.5 1.8 0.8 12.8 5
    JD2520-0.8(14-4) 2.5 2 0.8 14 4
    JD2540-0.8(10-4) 2.5 4 0.8 10 4
    JD3218-0,8(51,8-20) 3.2 1.8 0.8 51.8 20
    JD2530-0,9(6,6-1,8) 2.5 3 0.9 6.6 1.8
    JD2540A 2.5 4 0.8 10 4
    JD2816-1(6,6-2) 2.8 1.6 1 6.6 2
    K2816-1.0(16-10) 2.8 1.6 1 16 10
    JD3218-1(27-15) 3.2 1.8 1 27 15
    JD3015-1.3(10.2-6.1) 3 1.5 1.3 10.2 6.1
    JD3015-1.3(10.5-3) 3 1.5 1.3 10.5 3
    JD3430-1,4(10,5-4,5) 3.4 3 1.4 10.5 4.5
    JD12940-1.7(10-3) 12.9 4 1.7 10 3
    JD3916-2(6,6-2) 3.9 1.6 2 6.6 2
  • Ikke-50Ω karakteristisk impedans-enkeltkjerne flatt hode
    Ikke-50Ω karakteristisk impedans-enkeltkjerne flatt hode
    Modell Størrelse (mm)
    EN B C D E
    JD1510-0.3-01 1.5 1 0.3 5.5 1.5
    JD1315-0,35-01 1.3 1.5 0.35 3.5 0.3
    JD1515-0,4(4,5-0,5) 1.5 1.5 0.4 4.5 0.5
    JD1516-0.4-01 1.5 1.6 0.4 14.6 1
    JD1615-0,5(7-0,5) 1.6 1.5 0.5 7 0.5
    JD1619-0,5(8,7-3) 1.6 1.9 0.5 8.7 3
    JD1619-0,5(10,3-4,6) 1.6 1.9 0.5 10.3 4.6
    JD2016-0,5(4,5-0,6) 2 1.6 0.5 4.5 0.6
    JD2016-0.5(12-5.8) 2 1.6 0.5 12 5.8
    JD2020-0.5-01 2 2 0.5 5.2 0.5
    JD2044-0,5(6,3-0,4) 2 4.4 0.5 6.3 0.4
    JD1919-0,6(7,9-1,9) 1.9 1.9 0.6 7.9 1.9
    RF2010-0.7(6.0-3.0) 2 1 0.7 6 3
    JD2015-0.8(6.5-3) 2 1.5 0.8 6.5 3
    RF2016-0.8(6.6-4.5) 2 1.6 0.8 6.6 4.5
    JD2816-1(10,3-4,9) 2.8 1.6 1 10.3 4.9
  • Ikke-50Ω karakteristisk impedans-enkeltkjerne flat rund spiss
    Ikke-50Ω karakteristisk impedans-enkeltkjerne flat rund spiss
    Modell Størrelse (mm)
    EN B C D E
    RF1515-0,38(2,9-0,3) 1.5 1.5 0.38 2.9 0.3
    JD1614-0,5(17,9-0,5) 1.6 1.4 0.5 17.9 0.5
    JD1615-0,5(9-2,5) 1.6 1.5 0.5 9 2.5
    JD2016-0.7(8.1-4.5) 2 1.6 0.7 8.4 4.5
    JD2040-0.6(10-4.5) 2 4 0.6 10 4.5
    JD2016-0,7(9,1-2,5) 2 1.6 0.7 9.1 2.5
    JD2035-0.7(22-3) 2 3.5 0.7 22 3
  • Ikke-50Ω karakteristisk impedans - spikerhodetype
    Ikke-50Ω karakteristisk impedans - spikerhodetype
    Modell Størrelse (mm)
    EN B C D E F G
    JD1616-0,45(4,2-1,5) 1.4 1.5 4.2 0.45 1.6 0.8 0.3
    JD1614-0,45(6,2-0,8) 1.4 0.8 6.2 0.45 1.6 0.8 0.3
    JD1614-0,45(6,9-1,5) 1.4 1.5 6.9 0.45 1.6 0.8 0.2
    JD1620-0,45(7-1) 2 1 7 0.45 1.6 1 0.3
    JD1630-0,5(7,5-0,5) 3 0.5 7.5 0.5 1.6 0.6 0.2
    JD1630-0,5(10,5-0,5) 3 0.5 10.5 0.5 1.6 0.6 0.2
    JD1816-0,5(20-0,5) 1.6 0.5 20 0.5 1.8 0.7 0.3
    JD2020B 2 2 0.6 5.7 1
  • JP2016-0.7(7.1-1.5)
    JP2016-0.7(7.1-1.5)
    Modelll
    JP2016-0.7(7.1-1.5)

    Modelll Størrelse (mm)
    EN B C D E F G
    JD1614-0,45(6,9-1,5)-R 1.4 1.5 6.9 0.45 1.6 0.8 0.2
    JD1630-0,5(7,5-0,5)-R 3 0.5 7.5 0.5 1.6 0.6 0.2
  • Ikke-50Ω karakteristisk impedans - spikerhodetype
    Ikke-50Ω karakteristisk impedans - spikerhodetype
    Modell Størrelse (mm)
    EN B C D E F G
    JD1614-0,45(6,9-1,5)-R 1.4 1.5 6.9 0.45 1.6 0.8 0.2
    JD1630-0,5(7,5-0,5)-R 3 0.5 7.5 0.5 1.6 0.6 0.2
  • JD1516-0.4-02
    JD1516-0.4-02
    Modell
    JD1516-0.4-02
  • RF1816-0,8(6,6-4,5)-2
    RF1816-0,8(6,6-4,5)-2
    Modell
    RF1816-0.8(6.6-4.5)-2
  • 2-RF281515-0,38(2,9-0,3)
    2-RF281515-0,38(2,9-0,3)
    Modell
    2-RF281515-0.38(2.9-0.3)
  • 2-RF301516-0.5(5.85-1.5)
    2-RF301516-0.5(5.85-1.5)
    Modell
    2-RF301516-0.5(5.85-1.5)
  • JD301520-0,5-01
    JD301520-0,5-01
    Modell
    JD301520-0.5-01
  • JD301515-0.5-01
    JD301515-0.5-01
    Modell
    JD301515-0.5-01
  • JD201315-0.35-01
    JD201315-0.35-01
    Modell
    JD301515-0.5-01
  • JD271516-0.4-02
    JD271516-0.4-02
    Modell
    JD271516-0.4-02
  • JD271516-0.4-01
    JD271516-0.4-01
    Modell
    JD271516-0.4-01
  • JD2615-0,35-01
    JD2615-0,35-01
    Modell
    JD2615-0.35-01
  • 3-RF411515-0,38(2,9-0,3)
    3-RF411515-0,38(2,9-0,3)
    Modell
    3-RF411515-0.38(2.9-0.3)
  • 3-RF421516-0.5(5.85-1.5)
    3-RF421516-0.5(5.85-1.5)
    Modell
    3-RF421516-0.5(5.85-1.5)
  • JD261516-0.3-01
    JD261516-0.3-01
    Modell
    JD261516-0.3-01
  • JD391516-0.4-01
    JD391516-0.4-01
    Modell
    JD391516-0.4-01
  • JD2815-0,35-01
    JD2815-0,35-01
    Modell
    JD2815-0.35-01
  • RF3416-0,8(6,6-4,5)-4
    RF3416-0,8(6,6-4,5)-4
    Modell
    RF3416-0.8(6.6-4.5)-4
  • 4-RF3416-0.5(5.85-1.5)
    4-RF3416-0.5(5.85-1.5)
    Modell
    4-RF3416-0.5(5.85-1.5)
  • JD341315-0,35-01
    JD341315-0,35-01
    Modell
    JD341315-0.35-01
  • JD272716-0.4-01
    JD272716-0.4-01
    Modell
    JD272716-0.4-01
  • JD511516-0.4-01
    JD511516-0.4-01
    Modell
    JD511516-0.4-01
  • JD2016-0.3-01
    JD2016-0.3-01
    Modell
    JD2016-0.3-01
  • JD3115-0,35-01
    JD3115-0,35-01
    Modell
    JD3115-0.35-01
  • JD631516-0.4-01
    JD631516-0.4-01
    Modell
    JD631516-0.4-01
  • RF1816-0,8(6,6-4,5)-6
    RF1816-0,8(6,6-4,5)-6
    Modell
    RF1816-0,8(6,6-4,5)-6
  • 6-RF811515-0.5(0.5-8.2)
    6-RF811515-0.5(0.5-8.2)
    Modell
    6-RF811515-0.5(0.5-8.2)
  • 6-RF821515-0.5(5.5-2.5)
    6-RF821515-0.5(5.5-2.5)
    Modell
    6-RF821515-0.5(5.5-2.5)
  • JD501516-0.4-01
    JD501516-0.4-01
    Modell
    JD501516-0.4-01
  • JD811520-0,5-0,1
    JD811520-0,5-0,1
    Modell
    JD811520-0.5-0.1
  • 7-RF941515-0.5(5.5-2.5)
    7-RF941515-0.5(5.5-2.5)
    Modell
    7-RF941515-0.5(5.5-2.5)
  • JD1201515-0.5-01
    JD1201515-0.5-01
    Modell
    JD1201515-0.5-01
  • JMC-265-JH
    JMC-265-JH
    Modell
    JMC-265-JH
  • JD1201515-0.5-02
    JD1201515-0.5-02
    Modell
    JD1201515-0.5-02
  • RF1816-0,8(6,6-4,5)-9
    RF1816-0,8(6,6-4,5)-9
    Modell
    RF1816-0,8(6,6-4,5)-9
  • JYZ22-0.45-01
    JYZ22-0.45-01
    Modell
    JYZ22-0.45-01
  • Ikke-50Ω Karakteristisk Impedans - Multi-Core
    Ikke-50Ω Karakteristisk Impedans - Multi-Core
    Modell Størrelse (mm)
    EN B C D E F G H et gjennomtrekk rad Avslutning
    JD153815-0,5(7,7-1,2)-2 7.7 1.2 1.5 3.8 1.5 2.1 0.5 0 2 1 Innerleder overside avflatet liming
    JD153015-0,5(13,5-4)-2 13.5 4 1.5 3 1.5 1.27 0.5 0 2 1 Sveising
    JD1613215-0,5(10,6-2)-10 10.6 2 1.6 13.2 1.5 1.27 0.5 0 10 1 Lodding
    JD302915-0,5(8-1)-2 8 1 3 2.9 1.5 1.27 0.5 0 2 1 Liming av indre leders overside
    2-JD165528-0.5(7.6-1)-8 7.6 1 1.6 5.5 2.8 1.07 0.5 0 8 2 Liming av indre leders overside
    2-JD154330-0,5(5,8-2)-5 ENl=5.8
    EN2=5.1
    B1=2
    B2=1,3
    1.5 4.3 3 1.27 0.5 1.5 5 2 Loddemetall Oversideavflating
    2-JD156830-0,5(5,8-2)-9 ENl=5.8
    EN2=5.1
    B1=2
    B2=1,3
    1.5 6.8 n 1.27 0.5 1.5 6 2 Sveis Utflating av indre leder overside
    2-JD1512030-0.5(9.3-2.8)-18 EN1=9.3
    EN2=8
    B1=2,8
    B2=1,5
    1.5 12 3 1.27 0.5 1.5 18 2 Sveising Flattening of inner conductor ends
    3-JD155545-0,5(9,5-4)-12 ENl=9.5
    EN2=7.5
    EN3=5.5
    B1=4
    B2=3
    B3=2
    1.5 5.5 4.5 1.27 0.5 1.5 12 3 Lodding
    2-JD207015-0.6(7-3)-10 EN1=7
    EN2=6
    B1=3
    B2=2
    2 7 1.5 1.27 0.6 1.5 10 2 Innerleder flatet og limt på begge sider
    2-JD3012230-0.6(10.8-5)18 10.8 5 3 12.2 3 1.27 0.6 1.5 18 2 Nedre indre leder side avflatet bonding
  • JYZ22-0.45-02
    JYZ22-0.45-02
    Modell
    JYZ22-0.45-02

HOLD KONTAKT

SEND
Om oss
Ningbo Hanson Communication Technology Co., Ltd.
Ningbo Hanson Communication Technology Co., Ltd.
Ningbo Hanson Communication Technology Co., Ltd. is China RF glass isolator Supplier and Custom RF glass isolator Company. We are a manufacturer specializing in the production, processing, and trade of communication components, with more than 30 years of experience in RF coaxial connectors, adapters, and cable assemblies. Selskapet har nå utviklet eget maskineringsverksted, galvaniseringsverksted, monteringsverksted og en gruppe stabile og pålitelige leverandører. Selskapets formål er å gi kundene produkter av høy kvalitet. De viktigste produktene er RF-koaksiale kontakter, adaptere, høyfrekvente kabelsammenstillinger og kabelsammenstillinger med lav intermodulasjon. I tillegg kan selskapet også tilby tjenester til kunder med tilpassede behov for å møte kundenes spesielle krav til produkter. Selskapets produkter er mye brukt i romfart, kommunikasjonsbasestasjoner, medisinsk utstyr og andre høyteknologiske felt. På tidspunktet for bedriftsreform, innovasjon, utvikling og vekst, tok selskapet initiativet til å bli med i det internasjonale kvalitetsstyringssystemet ISO9001 og forbedret kontinuerlig ledelsesnivået for å gi mer tilfredsstillende produkter og tjenester til nye og gamle kunder.
Siste nytt
Leter du etter forretningsmulighet?

Be om en samtale i dag